添加链接
link管理
链接快照平台
  • 输入网页链接,自动生成快照
  • 标签化管理网页链接

水源热泵空调系统简要概述

水源热泵机组是指以水为热源(汇)的可进行制冷/制热的一种整体式热泵机组,通常是水/空气或水/水两种水源热泵机组。

目前常用的有两类:

一是小型的水/空气热泵机组和水/水热泵机组 (四通换向阀功能转换);

二是可用于集中供热、供冷的水/水热泵机组,它以地下水、地表水、城市污水为热源(阀门转换)。

水源热泵机组根据用途的不同,在ISO13256-1标准中被分为三种:

(1)水源热泵:此种热泵是采用循环流动的水作为热源热汇,而低品位热能主要取自建筑自身的余热,不足者由外部热源补充。

(2)地层水源热泵:此种水源热泵机组采用水井、湖泊、河流作为热源热汇,此时,低品位热能取自天然水体。

(3)地源闭式环路热泵此种热泵采用闭式循环流体作为热源与热汇,低品位热能取自土壤或地面水。

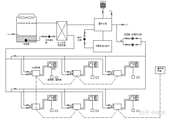
1.地下水源热泵系统

2.地表水源热泵系统

3.海水源热泵系统

4.污水源热泵系统

影响水源热泵系统运行性能的因素:

水源的水量、水温、水质和供水稳定性是影响水源热泵系统运行效果的重要因素。

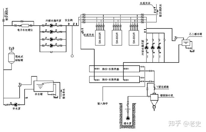
热源(热汇)循环水系统的水处理方法:

水源热泵机组的水源可使用程度总体上用两大指标来衡量,即水质指标和水温指标。

水质指标指的是水的浊度、硬度以及藻类和微生物。

水温指标指的是水源在冬、夏季的温度状况。

地表及浅层的水源一般都是生水。它们需经过水处理后方可送入机组使用。水处理方法主要有:除砂,除铁,化学方法(俗称加药),静电处理,磁化处理,离子交换,高频电子,防垢,防腐,防生物粘泥,防止海水腐蚀和防治海生生物,污水的防堵塞与防腐蚀。

水源热泵空调系统设计要点:

1.水文地质工程勘察:

工程场地状况调查的主要内容:

场地规划面积、形状及坡度;

场地内已有建筑物和规划建筑物的占地面积及其分布;

场地内树木植被、池塘、排水沟及架空输电线、电信电缆的分布;

场地内己有的、计划修建的地下管线和地下构筑物的分布及其埋深;

场地内已有水井位置等。

地下水水文地质勘察

勘察内容有:地下水类型;含水层岩性、分布、埋深及厚度;含水层的富水性和渗透性;地下水径流方向、速度和水力坡度;地下水水温及其分布。

水文地质试验内容有:抽水试验;回灌试验;抽水和回灌试验时,测定静水位和动水位;测量井水水温;取水样并化验分析水质;水流方向试验;渗透率、流速试验。

地表水水文勘察

勘察内容有:地表水源性质、水面用途、深度、面积及其分布;地表水水温、水位动态变化;地表水流速和流量动态变化;地表水水质及其动态变化,引起腐蚀与结垢的主要化学成分;地表水利用现状;地表水取水和回水的适宜地点及路线。

2. 地下水回灌设计

对于开采的地下水应要求回灌,即将抽出的地下水,经地下水水源热泵机组换热后再注入到地下,且必须是等量回灌,即抽出的水量应与回灌的水量相等。同时回灌还可以储能,达到冬季回灌蓄冷为夏季空调用,夏季回灌热为冬季供暖所用。

为防止地下水资源受到污染,要严格控制人工回灌水质。

回灌水水质要坚守一个准则:回灌水的水质条件要等于甚至高于原地下水水质条件。

另外,要求同层回灌,回灌井处的地质结构要有良好的覆盖层和止水层,防止回灌后各个含水层相互贯通,引起水质污染。

3.地表水取水设计

地表水取水设计应考虑环境保护问题,冷热交替问题,冷热平衡问题。

取水温差过大会破坏生态环境

取水、排水口位置不当机组运行效率会降低

取水区域不当会损坏换热盘管。

污水源热泵系统的特殊问题:

污水流经管道和设备(换热设备、水泵等)时,在换热表面上易发生积垢、微生物贴附生长形成生物膜、污水中油贴附在换热面上形成油膜,漂浮物和悬浮固形物等堵塞管道和设备的入口。

其最终的结果是出现污水的流动阻塞和由于热阻的增加而恶化传热过程。由于设备结垢导致机组耗功增加。所以,在设计中一定要选择能效比高的机组。

由于污水流动阻塞使换热设备流动阻力不断增大,引起污水量的不断减少,同时传热热阻的不断增大,又引起传热系数的不断减小,其供热量随运行时间的延长而衰减。

污水源热泵机组的运行稳定性比其它水源热泵差。在系统设计中应考虑稳定性环节。

由于污水的流动阻塞使污水源热泵的运行管理和维修工作量大,应该预留一定的维护空间。

例如,为了改善污水源热泵运行特性,换热面需要每日3~6 次水力冲洗,污水流动过程中,流量呈周期性变化,周期为一个月,周期末对污水换热器进行高压反冲洗。

地下水源热泵系统设计:

开式环路地下水源热泵系统的设计步骤:

完成试验井

确定所需的地下水总水量

供水井和回灌井设计

确定水井群与热泵机组的连接方式

计算每组供水管和回水盘管的水流量,选择管材

确定潜水泵至膨胀罐的管道尺寸

确定隔膜式膨胀罐出口侧各管段尺寸

确定总管尺寸(即供水管的起始端、排水管的末端),根据管路总流量确定总管管径

确定回水立管管径

选择需要的管件

计算开式系统并联管路的压力损失

计算隔膜式膨胀罐出口侧压头

选择膨胀罐

确定潜水泵与膨胀罐间管道尺寸

选择潜水泵型号

确定管道保温层的厚度

水源热泵机房系统设计:

热泵机组的选择:

根据建筑的空调面积和房间功能进行空调冷、热负荷计算,统计建筑空调总冷、热负荷。

大部分建筑需要考虑房间的同时使用率,一般建筑的同时使用率为70~80%,特殊情况需根据建筑功能和使用情况确定。

根据计算出的总冷、热负荷,以其中较大值来确定主机型号,注意机组在偏离额定工况时需进行参数修正。

制冷同时制取卫生时的参数修正。

主机台数可根据建筑业主和建筑所备机房情况进行确定,建议选用2台以上。

空调负荷的确定:

系统水循环泵的选择:

流量的确定:一般按照水源热泵样本中提供的制热/制冷时的水流量来选取,可以按照如下公式进行计算选取,公式中的Q为热泵机组制热/制冷量中的较大值。

扬程确定:

循环水泵扬程的组成:

1.热泵机组换热器水阻力:一般为6~7.5mH2O;(具体值可参看产品样本)

2.末端设备(空气处理机组、风机盘管等)表冷器或蒸发器水阻力:一般为6~7mH2O;(据体值可参看产品样本)

3.回水过滤器阻力,一般为3~5mH2O;

4.分水器、集水器水阻力:一般一个为3mH2O;

5. 系统水管路沿程阻力和局部阻力损失:一般为7~10mH2O;

综上所述,冷冻水泵扬程为26~35mH2O,一般为32~36mH2O。

注意:扬程的计算要根据系统的具体情况而定。

在水泵样本中选取水泵时,以上中下三列中的中间栏数据为准。

水泵并联运行情况:

由上表可见:水泵并联运行时,流量有所衰减;当并联台数超过3台时,衰减尤为厉害。

建议:

1.选用多台水泵时,要考虑流量的衰减,留有余量。2.空调系统中水泵并联不宜超过3台,即进行水源热泵主机选择时也不宜超过三台。

潜水泵的选择:

流量的确定:

一般按照水源热泵样本中提供的制热/制冷时的井水流量来选取,还可以按照如下公式进行计算选取,公式中的Q为热泵机组制热/制冷量,N为机组输入功率;

扬程的确定:

1、潜水泵的扬程依据水井动水位的位置来确定,一般潜水泵放置在动水位以下1m左右的位置;

2、潜水泵所需克服的阻力包含动水位至井口的高差h1,旋流除砂器阻力,Y性过滤器阻力、机组阻力、以及井水管道阻力,此部分阻力一般取经验值7~10mH2O;

3、潜水泵扬程= h1+ 7~10mH2O。

补水定压装置的选择:

补水定压装置的方式:

1、高位膨胀水箱补水定压;

2、变频补水定压;

3、落地式膨胀水箱(膨胀罐)补水定压;

系统补水量的确定:

系统补水量一般为系统中总水容量的2%~3%确定,系统中水容量按照建筑面积每平方米1.3L计算;

补水泵扬程的确定:

根据建筑高度来确定补水泵的扬程,并且留有3-5mH2O余量;即补水泵的扬程=机房到系统最高点高差H+ 3-5mH2O。

水处理设备的选择:

水处理设备总类:

电子水处理仪;(5000㎡以下建筑及卫生热水系统采用电子水处理仪)

软化水处理仪(钠离子交换器)(10000㎡以上建筑采用软化水处理)

电子水处理仪的选取:根据系统水水流量或者系统水管径选取。

软化水处理仪的选取:根据系统水补水量选取,系统补水量一般为系统中总水容量的2%~3%确定,系统中水容量按照建筑面积每平方米1.3L计算;一般10000㎡建筑选取1m3/h处理量处理仪。

软化水箱大小的确定:根据软化水小时处理水量来确定水箱的大小。

过滤装置的选择:

旋流除砂器的选择:原则上一台热泵机组对应一台旋流除砂器,在系统较大时,不受此原则限制;

以热泵机组井水需求量的大小确定旋流除砂器的型号及台数。

快速除污器的选择:根据系统水总管路管径大小确定快速除污器型号,一个系统仅用一台快速除污器,在地下水含沙量较高的情况下,建议井水系统也装设快速除污器。

集分水器尺寸确定:

管径的确定:

按并连接管的总流量通过集管断面流速V=1.0-1.5m/s确定,最大不宜超过4m/s。分支管管内流速一般为V=2.0m/s。

【例】集管上拟连接4根DN80管道,这些管内的流速均等于2m/s,试确定集管的直径.

【解】DN80钢管内径81mm,其断面积F=1/4πd2n=1/4×3.1416×812=5153mm2

连接管断面积和:∑F=5153×4=20612mm2

取: V=1.2.0m/s

则集管应有断面积为:F’=20612×2.0/1.2=34353mm2

相应直径:D=

=209mm,选择φ=219×6mm。

长度确定:

运行费用计算:

计算公式:运行费用=额定功率×开机台数×每天运行时间×实际运行天数×日运行系统×年运行系数×电价。

计算条件:

1、运行时间:冬季 天,日平均运行 小时;

2、日运行系数:0.75(查《实用供热空调设计手册》在一日中由于室外温度及气候条件的不同,末端系统负荷随之调节变化)。

3、年运行系数:0.8(查《实用供热空调设计手册》在一年中由于室外温度及气候条件的阶段性变化,末端系统负荷随之调节变化)。

4、电价: 元/KW·h。

分体水源热泵机组:

无需专用机房,可以安装在屋顶、天花、壁柜、外墙等隐蔽场所。改建、扩建工程简便易行。

单台外机的主要组成:压缩机、四通阀、室外换热器、高低压储液罐、电控盒(无风机)。

多台并联系统图:

安装要点:

1.水系统脏堵:板式换热器两片钎片之间的间距很小,水中杂质即使很小,也容易造成脏堵,安装水系统管路的时候,注意防止外界杂质进入;系统中安装过滤器;使用的循环水应保证较高的水质。

2.每台主机的进出水管要安装球阀,方便维修。

3.接室外机的进出水口时,应仔细检查,防止进出水管接反变成顺流换热(换热效果变差,系统能力不足)。

基础知识:

标准煤:我国把每千克含热量为7000大卡(29306焦耳)的定为标准煤,也称标煤。国家发改委提供的数据:火电厂平均每千瓦时供电煤耗由2000年的392g标准煤降到360g标准煤,2020年达到320g标准煤。即一吨标准煤可以发三千千瓦时(3000度)的电。

工业锅炉燃烧1吨标准煤污染物排放量:

各种能源折合成标准煤系数:

标煤量折算:

燃煤系统标煤折算量:

标煤量=总制热量÷标煤发热量÷锅炉效率=总制热量÷8.14÷70%÷1000

式中8.14KW为标煤发热量7000大卡/千克折算值

热泵系统标煤折算量:标煤量=热泵耗电量÷单位电量标煤耗量=热泵耗电量÷360÷1000

式中360g为发一度电标煤耗量

以上计算二者之差即为标煤节约量

压力单位换算:

1公斤出水压力:是1平方厘米承受1公斤水重量的压力(也称千克力),即:1公斤压力=1×10/0.0001=100000Pa=0.1MPa =1Bar

1MPa =10公斤压力,1公斤压力=10mH2O,1H2O=10Kpa

热量单位换算:

千焦和千瓦时之间的换算系数为3600,即:1000KJ=0.277KW·h

千焦和大卡(千卡)之间的换算系数为4.20 ,即:1000KJ=238.10KCal

千卡和千瓦时之间的换算系数为860,即:1000KCal=1.163KW·h

也可使用暖通南社公众号:nhvaca中:“问南社”“暖通空调单位换算小程序”进行智能计算。


本文来源于互联网,暖通南社整理编辑。

编辑于 2018-08-01 09:36